国务院
省政府
市人大
市政协
移动版
闽政通APP
你好,
注销
登录
注册
网站支持IPV6
首页
市政府
政务公开
解读回应
办事服务
互动交流
走进福州
市 长
吴贤德
副市长
张定锋
肖进才
郑 鸿
赵明正
梁 栋
林 锋
党组成员
张 帆
张新怿
秘书长
许剑锋
领导活动
重大会议信息
市政府机构
政府工作报告
政府信息公开
最新文件
政府公报
人事信息
重点领域信息公开
数据开放
专题专栏
政策文件库
公共企事业单位信息
回应关切
本市政策解读
福建省政策解读
国家政策解读
新闻发布会
个人办事
法人办事
便民服务导图
12345便民服务平台
在线访谈
网上调查
民意征集
决策预公开
智能问答
用户留言情况分析
互动知识库
历史搜索:
热门搜索:
长者模式
退出长者模式
无障碍浏览
当前位置:
首页
>
政府网站工作报表
>
县市区政府网站工作报表
>
台江区
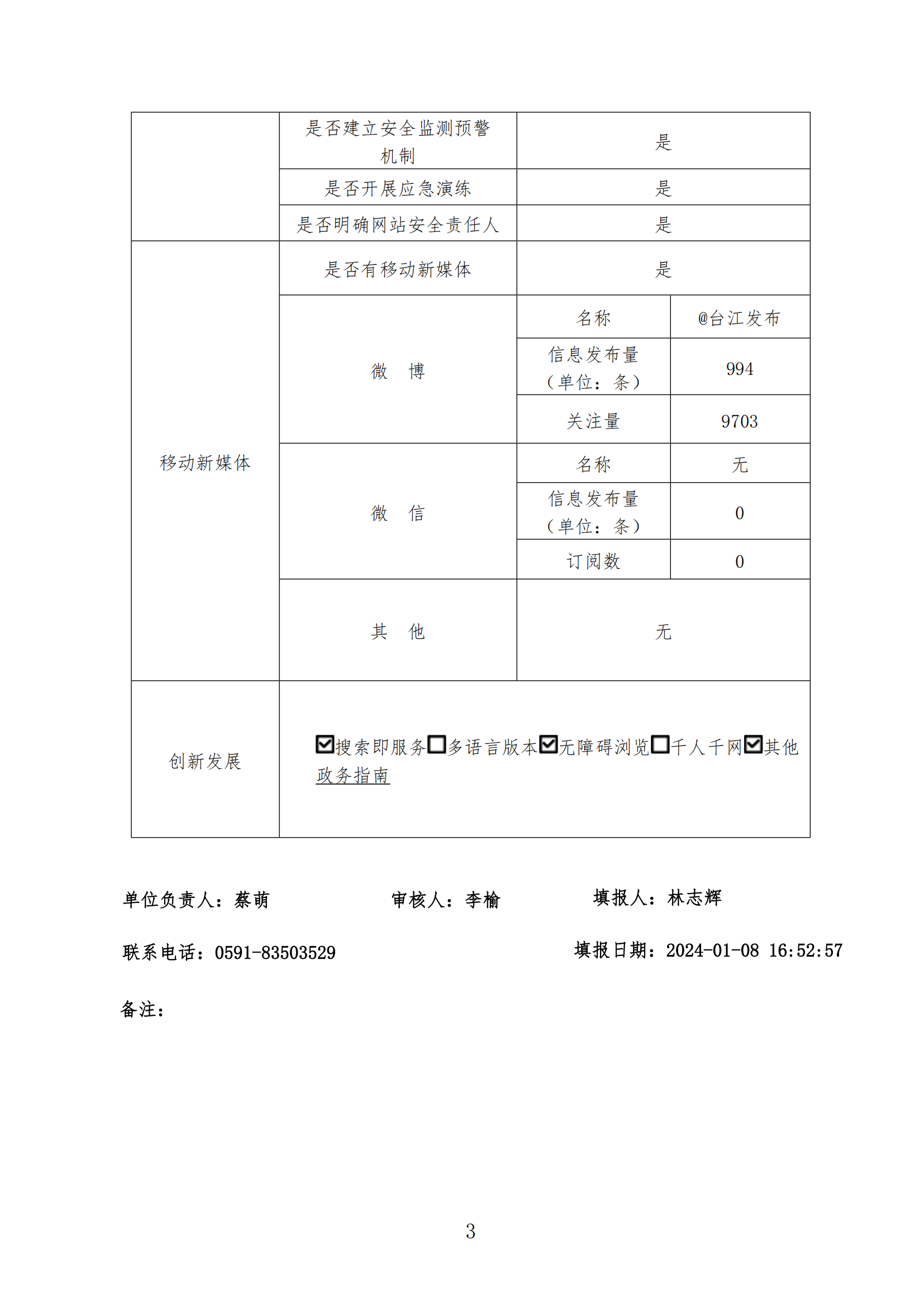
2023年福州市台江区人民政府网站工作年度报表
日期:2024-01-08 17:09
来源:台江区大数据服务中心
|
|
|
|
微信
微博
QQ空间
相关解读:
附件下载
纠错
关闭
相关链接