2024年福州市罗源县人民政府网站工作年度报表

日期:2025-01-08 08:21 来源:罗源县
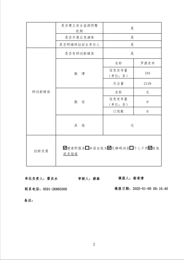
| | | |
附件下载